Nano Textiles

ABSTRACT
In 2000, the barrier between man and machine is as thin as a strand from the double helix. As computer equipment, surgical tools and communications pipelines shrink ever smaller, the next step in engineering is to merge the biological and mechanical molecules and compounds in to really, really small machines. This will happen in many different ways and it raises many new issues. The answer of these issues is revolutionary NANOTECHNOLOGY - the promising technology for Future. Nanotechnology is an umbrella term covering a wide range of technologies concerned with structures and processes on the nanometer scale
We are living in this exciting era and feeling the great impacts of technology on the fibers and textiles industry. In spite of nanotechnology, being a vast field itself how can textile technology be discrete from it? Definitely not, as nanotechnology has left its print on other technologies as well as on textile technology. For instance, the application of nanotechnology in the field of textiles has led to the development of Nanofibers, NanoCompositions, NanoPolymers, NanoFinishes, etc.
The subject nanotechnology in textiles is as vast as universe so to restrict in few words is merely impossible. This paper summarizes the recent development of nanotechnology in textile areas including textile formation to textile finishing. Details on two major technical aspects, using nanosize entities and employing specific techniques to create nanosize structure inside textile materials, have been eluding. A number of nanosize fillers and their resultant performances have been reviewed. Particularly, monolayer assembly has been introduced. At the end, perspectives regarding future development of nanotecnogy for smart &intelligent textiles have been addressed.
INTRODUCTION
At first glance, the lotus, a flowering wetland plant native to Asia, may not be of interest to researchers. But, a leading German chemical manufacturer has developed a spray-on coating that mimics the way lotus leaves repel water droplets and particles of dust. Lotus plants have super hydrophobia surface and this effect arises because they are coated with hydrophobic wax crystals of around 1 nm (nanometer) in diameter. This nano structure, observed in nature, had led to the development of an entirely new area of manufacturing and research nanotechnology.
As the extent of materials to which nanotechnology can be applied is increasing, opportunities for application are widening. Nanotechnology has potential applications in computers (nano chips), aerospace (launch vehicles, nanotubes), colorants, and biotechnology and in varies other fields. Nanotechnology is without doubt, the technology of the future. In the field of textiles, nanotechnology has been employed in the synthesis of quantum dot (semiconductor nanocrystals). Dye molecules are used to cloud fibers. In nanocrystals, the color changes with increase in particle size. It is thus possible to create different size particles from a single material having different optical properties that cover the entire visible region.
The prefix 'nano' is used to indicate the billionth part or 109th part of a quantity. Nanotechnology, also called molecular manufacturing, is a branch of engineering that deals with the design and manufacturer of extremely small electronic circuits and mechanical devices built at the molecular level of matter. This technology has enabled scientists and researchers to gain precise control over matter at the atomic and molecular level. A scientist had once said that some of the problems of chemistry and biology could be simplified if we could work at the atomic level and actually see what we are doing. Colour is imparted to fabrics by a process called subtractive colours mixing. Many of the colours produced in nature are a result of interaction of light with matter, by interference or diffraction phenomenon. This ideology can be applied to textile dyes to obtain pure and bright hues. Nanocrystals as colourants are stable and, when mixed with dyes, can produce a spectrum of colours, which is not attainable by either dyes or pigment. Finishing of textiles and fiber manufacturing are areas where nanotechnology has great potential for application. The lotus effect finish mentioned earlier is an example. Moreover, it is estimated that nanotechnology in textiles will be billion dollar business in the next few years.
REFRENCES:
- David R. Forrest: The Future Impact Of Molecular Nanotechnology On Textile Industry, Industrial Fabric & Equipment Exposition
- Charlotte, NC, USA Oct 1995, Cover story, Nanomaterials, A Big Market Potential, Chemical Week, Oct2002, p17
- Jack Uldrich: Why Nanotechnology Will Arrive Sooner Than Expected, the Futurist, March April 2002, Pp 16-22,
- Nanotechnology at BASF: A Great Future Font Tiny Particles Oct 2002,
- The Chinese Academy of Sciences Leading the Way To Commercializing Nanotechnology Asia Pacific Nanotech Weekly, Vol1, 2003.
- Qinguo Fan, Samuel C. Alton R. Willson, Nanoclay modified Polypropylene dyeable with acid and disperse dyes, AA TCC review, june2003, p25
- www.nanophase.com
- www.ccmr.comell.edu
- www.nanotex.com
- www.azonano.com
- www.nQl.co.uk
To read more articles on Textile, Industry, Technical Textile, Dyes & Chemicals, Machinery,Fashion, Apparel, Technology, Retail, Leather, Footwear & Jewellery, Software and Generalplease visit http://articles.fibre2fashion.com
To promote your company, product and services via promotional article, follow this link: http://www.fibre2fashion.com/services/article-writing-service/content-promotion-services.asp
WHY NANOTECHNOLOGY?
What if we could inexpensively make things with every atom in the right place? For those unfamiliar with the nanotechnology, it means we could continue the revolution in computer hardware right down to molecular gates and wires -something that today's lithographic methods, which are used to make the computer chips, could never achieve. Additionally, we could inexpensively make very strong and very light materials according to the convenience. This may include shatterproof diamond in precisely the shapes we want and over fifty times lighter than steel of the same strength. We could make surgical instruments of such precision and deftness that they could operate on the cells and even molecules from which we are made-something well beyond today's medical technology.
Energy-efficient- Molecular manufacturing can be energy-efficient because the key feature of its basis productive mechanisms-guiding the motion of the molecules using mechanical systems-impose no great energy cost. All a molecular the list beyond and on-almost any manufactured product could be vastly proved, often by orders of magnitude. Also the, bottom-up, manufacturing approach-making materials and products from the bottom-up, that is building them up from the atoms and molecules-would require less material and create less pollution. Inexpensive-Molecular manufacturing will be inexpensive because it uses small amounts of material and energy and its costs of capital, land and labor will be low. Capital will be inexpensive because molecular manufacturing systems can be quickly used to build additional molecular manufacturing systems. Land and labor will add little costs because little of either will be needed. Setting aside costs external to manufacturing, the instruct cost of products made by molecular manufacturing would typically be little more than the cost of the required raw materials and energy. Molecules to bring them together in new patterns and molecular machines systems can move molecules more efficiently than systems that subject them to fluid drag.
Dream or reality- whether the concept of molecular assembling is a distant dream or not, only time can say. Development of the ability to design protein molecules will open a path to the fabrication of devices to complex atomic specifications, thus overcoming the obstacle facing conventional micro technology. This path will involve construction of molecular machinery able to position reactive groups to atomic precision. It could lead to great advances in computational devices and in the ability to manipulate biological materials.
Biologists are a good audience to present molecular nanotechnology (MNT), as they are intimately familiar with analogues of the proposed MNT programmable self-replicating machinery tools, possible with atomic precision construction. Chemists, on the other hand, synthesis larger and more complicated molecules that perform more complex physical tasks. Chemists and biologists together are in a better position to produce ever more complicated self-assembling molecular structures.
WHAT IS NANOTECHNOLOGY
"The science of small" is truly an interdisciplinary science, in which material scientist, mechanical and electronic engineers, biologists, chemists and Physics share knowledge to extend the Nano-scale boundaries.
Nanotechnology refers, in most general terms to technology; one billionth of a meter (l0- 9 m) about 80,000 times smaller than a human hair. Objects or instrument in which the parts are smaller than 100 nm in at least one dimensions are.
As products of molecular nanotechnology. The nanoscale also marks the grey zone where classical laws and quantum - mechanical laws meet each other.
When the term nanotechnology was used for the first time it was to refer to the ever-increasing precision with which objects could be produced.
The concept of nanotechnology is however not new, have been adopted by Taniguchi in 1974 when he defined the critical dimensions and tolerances be realized. In technology Hence nanotechnology is part of the evolution of machining accuracy with no differences from traditional fields of science or engineering except in size.
FIELDS OF NANOTECHNOLOGY:
Nano science can be applied to absolutely any field. It brings about hybridization in all fields of science, to get the best out of it.
Today nanotechnology consists of four major fields they are:
- Nanoelectronics- New semi-conductor laser, computer hard disk drives
- Based on giant magneto-resistance.
- Nonmaterial- Nanostructure ceramics, spectacles with scratch resistant nano-coatings, unburnt locations with UV Absorbing nano-Particle.
- Nanotextiles- Nanofibers, nano clay used in textile, Intelligent clothing, Sensors.
- Nanobiology- Cancer fighting drugs, Diagnosis and treatment of aging.
APPROACHES ACHIEVING
1) Top-down approach
The techniques generally used are grinding, cutting, spraying and etching. The top-down approach to nanotechnology has found a first application in research in the field of micro-Electro-Mechanical system (MEMS). In MEMS, systems are building integrate electronic & mechanical component on a very small scale.
Textile production can also benefit from development in the MEMS-field. Today we see textile-processing methods in which clusters of objects are manipulated. E.g. in spinning or non-woven formation there is little or no control of individual fibers. Using MEMS, which can sense the position (sensors) and control the motion or position (actuators) of each in individual fibers, could lead to better. Stronger yam or non-woven structures with controlled properties. In weaving, warp tension of individual warp yams could be monitored and controlled by MEMS, leading first to warp yam break detection and to a decrease in warp brakes. Further MEMS could assist in or possibly repair the warp yam breaks, which would lead to a decrease in interventions and a higher production yield.
2) Bottom-up approach
Bottom -up approaches have the potential to allow fundamentally new assembly and manufacturing processes at the atomic and molecular level? The opportunities for exploitation will expand, rather than narrow as the basic principles of the operation and tools are developed.
Bottom-up processes are less well developed in terms of their application, are less well developed, require more fundamental scientific study, and have far less certain outcomes in commercial terms. Some key processes under debate may never be realized. At best, their exploitation cycle will be relatively long.
NANOTECHNOLOGY IN TEXTILE
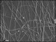
NANOFIBERS
Fibers generally with diameter less than 1mN termed as the Nanofibers. Conventional fiber spinning processes are not able to produce polymer fibers with diameters in nanometer range. Electro spinning is the process using electrostatic forces to fine filament from polymer solution.
Nonwoven fabrics composed of electro spun Nanofibers have a large specific surface area, a high porosity and small pore size in comparison with commercial textiles making them excellent candidates for use in filtration and membrane separation.
PRODUCTION OF NANOFIBER:
The production of nanofibres is viable by two methods
- Biocomponent spinning technique
- E1ectrospinning technique
But the most viable and advantageous technique is E1ectrospinning
The principle on which this technique based is basically very simple as when polymer solution is kept in capillary tube a force of surface tension is developed at the tip of capillary which causes the solution to remain in capillary and so if certain electrical voltage is supplied to the tip of the solution is ejected from capillary because of the repulsive forces generated in the fonn of jet which is collected on a screen which is charge that of capillary tip.
The nanofiber web is obtained on the screen, which can be then transfonned in nonwoven web, or instead of screen if tip of roller is placed then a continuous The nanofiber web is obtained on the screen, which can be then transfonned in nonwoven web, or instead of screen if tip of roller is placed then a continuous strand can be obtained as filament nanofiber.
This method is highly prcised and gives high strength to fiber i.e. Almost 17 times stronger than Kev1ar.
SOME NANOFIBERS & ITS APPLICATION
• NYLON NANOFIBER
Today industries, Inc., has developed fibers with hygroscopic properties better than those of cotton. The fiber consists of extremely fine nylon measuring several tens of nanometers.
• POLYESTER NANOFIBER
Polyester covered with approximately 60 layers of nanometers thick. Increase in hygroscopic properties by a factor of 30.
• LUMINESCENT POLYESTER
The polyester core is covered with 60 layers of nylon and polyester that have different reactive indices for light. This a mystical hue that changes according to both
How light strikes the fabric and
• The angle from which the fabric is viewed.
• Only reflecting light of a specific wavelength, this structure effectively brings
• Out color.
CARBON NANOFIBERS
Carbon nanofibers are an ordered array of carbon atoms that can have tensile strength up to 50X that of steel.
They have diameters of about 50-200 nm and can be classified as
Single walled carbon nanotubes /fibers (SWNT)-they are single walled cylindrical structures.
Multi-walled carbon nanotubes /fibers (MWNT) - their are formed with more this kind of cylindrical structures.
PROPERTIES OF CARBON NANOFIBERS
S.NO.
|
PROPERTY
|
VALUE
|
1.
|
Diameter
|
2-50 nm
|
2.
|
Compressive strength
|
150Gpa
|
3.
|
Buckling strain
|
5%
|
4.
|
Fracture strain
|
>18%
|
5.
|
Tensile strength
|
1.72Gpa
|
6.
|
Tensile modulus
|
450Gpa
|
APPLICATIONS
- Air filtration.
- Protective clothing.
- Agricultural nanotechnology.
- Biodegradable Nanocomposites.
- Netting to absorb fertilizers, pesticides, and other materials. These materials would then release the materials at a desired time and location.
- Bionano sensors.
NANOMATERIALS:
Today, there is considerable interest in what is called nano-structured material. Nanoparticles with length of {1 to 100 mn} exhibit new and improved properties compared to the corresponding bulk material. Conventional materials have grain-sizes ranging from microns to several billion atoms each. Nanometer -sized grains contain only about 900 atoms each. As the grain decreases, where is significant increase in the volume fraction of grain boundaries or interfaces as shown in figure? This characteristic strongly influences the chemical and physical properties of the material. For example, nano-structured ceramics are tougher and stronger than the coarser grained ceramics. The market for nano particles will increase from USS493 mn in 2002 to uss900 mn in 2005

The most interesting nano materials, which have potential application in textiles, are nano composites, i.e. composites carrying nano particles. Extrusion of nylon with clay nano particles could lead to high performance fire retardant systems. The problem of dyeability of polyprolene could be solved if small quantities of nano clay where added to polymer.
NANOCOMPOSITES:
In making composite materials nanofibers play an important role they have better mechanical properties than microforms of the same material this is caused by elongation in electrostatic field and by lesser frequency of defects per unit length of nanofibres. In 1999 Kim & Renekar worked on reinforcing effect of polybenzididazol (PBI)
Nanofibres produced by Electro spinning using epoxy resins and rubber matrix. Bergshoef and Vancso produced composites material with epoxy resins matrix in 1999. The appreciable improvement of mechanical properties of reinforced material compared to solitary matrix was registered in both of the above mentioned works inspire of very low weight fraction of fibres in these materials (3 - 15 weight %). In the second case the transparency of composite reinforced by nanofibres.
From tensile strength tests it shows that composites with epoxy matrix have higher strength than composites with acrylic matrix and conversely the composites with the acrylic matrix have higher elongation then composite with epoxy resin where corroborate.
FABRICATION OF NANOCOMPOSITS
Vapour grown carbon fibers are mixed into a polypropylene (pp) matrix to form nanofibres composites. The final form is loosely bound agglomerated powder of high purity nanofibers with no decrease in length.
The best processing conditions are
Mixing temperature - 1650C
Rotational speed - 65rpm.
Time - 12-15 min.
After fabrication, the composites are hot-pressed (with 6-11 metric
Tons at 150-1700c.)In to thin sheets or spun into filament.
NANOFIBREFILTRATION FOR DESALTIFICATION OF EXHAUST LIQUOR:
Nanofibrefiltration is effective in separating dyes from salt and hence this technique is widely used for removing salt from dyes. This technique is therefore applicable in decolorizing exhaust dye liquor (EDL) the system may used for removal of Ca and Mg to reduce hardness of water. Nanofibre filtration understood from the fig. Exhaust dye liquor is shown in fig. To fall on the semi permeable membrane. Two streams are formed e.g. dye concentrate & salt solution called permeate.
Membrane configurations are of five distinct types:
1. Spiral
2. Tubular
3. Flat sheet
4. Hollownanofibre
5. Ceramic (usually employed for ultra filtration)

For desalting dyes and for decolorizing EDL spiral design is best suited. It's so because it has a laminar flow consumes less power and costs less per unit area and has a high packing density. However it has no tolerance for suspended particles membranes often gets choked if suspended particles of given colloidal type find their way to the spirally wound Nanofibrefiltration membranes. Nanofibrefiltration is simple physical separation of solutes of different molecular sizes Thus it can separate hydrolysed reactive dyes from salt solution. This salt solution is obtained as a permeate which can be recycled for dyeing.
NANOCLAY PARTICAL USED IN TEXTILE FORMING
DYEABLE POLYPROPYLENE:
Dyeable polypropylene remains very important challenge to the entire polymer and textile chemist for many decades. Approaches to dye polypropylene using polyblend, polymers, plasma treatment and specially designed dyes have been thoroughly explored. These approaches to provide dyeability increase the cost of the dyeing operation considerably. Such a cost increase certainly affects the price advantage of polypropylene over nylon, and polyester.
So far none of the researches mentioned above has had success for commercial production Dyeable polypropylene to use in clothing and upholstery, mainly because their efforts led to:
1. The significant increase of the price of polypropylene,
2. The decrease of the mechanical properties of the material, &
3. The uneven and weak treatment resulting in poor dyeability.
The dyeable polypropylene can be produced via nanotechnology. The dye sites in the Nanocomposites polypropylene are expected to be the place where Nanoparticles are located. One of the commonly available Nanoparticles is nanoclay modified with quaternary ammonium salt is used to make Nanocomposites polypropylene. Since the clay is normally purified and properly surface modified after mining and before being used, it is possible in the modification process to introduce some chemical groups onto the surface of the nanoclay this is added in the polymer melt before spinning.
A fibre with high water absorption properties through nanotechnology that involves producing 20 layers for maintaining water and oil content, the total thickness of which measures only around 50 nanometers. Polyester treated in this way has 30 times the ability to absorb moisture of untreated polyester and is ideal for use in the manufacturer of undergarments.
INTELLIGENT CLOTHING:
The Massachusetts Institute of technology (Mit), USA using nanotechnology plans to develop chameleon- lick uniforms and materials that could help protect soldiers against detection, threats, bullets and chemical agents, monitor their life support systems and even heal those who are wounded. It is a textile, which is woven together bringing lots of different kinds of capabilities together in a single garment. It would provide chemical protection, ballistic protection, sensing, it could change from a soft fabric to a hard kind of shell for protection.
The suit will also be designed to automatically create splints and cast through what are called Ferro fluids filling the hollow Faber of the fabric. These will allow the suit to be transformed from a flexible garment into a rigid shell of liquid armor or a splint for a broken bone when the wounded soldier activates power supply.
Another focus of the research is to design from being seen by using sensors so that the uniform would also blend into whatever background might be. The soldiers would also wear boots that would build-up a charge of energy so that, if needed, a leap of 20 feet up would be possible. A garment with Proshied phase change fibers senses body temperature, excess heat generated by the body is absorbed into the Outlast Thermocouples and the stores heat is released back to the skin when needed.
Smart out fits electronic textiles are fabrics that are wired tom transfer information within a piece of the clothing. You can buy the jackets with disc players and controls sewn in but designer's envension e-wear that will heat or cool its wearer, monitor vital signs, and change colour on command.
SMART JACKET:-
A jacket that automatically heats and lights up when it is cold and dark also contains a pulse monitor to measure activity level for joggers and walkers has been designed. The sporty wear and silver colored jackets use embedded sensors that regulates an electro conductive textiles in the upper back of the
To keep the wearer warm. It has also electro luminescent wires that light up jacket at night and a physiological monitor on the left wrist cuff to monitor pulse and heart rate.
NANOTECHNOLOGY FOR NOVEL EFFCT FINISHING:
Functional finishes are aimed at imparting multifunctional properties such as ultraviolet resistant, stain and water repellent, wrinkle resistant, anti-bacterial, moisture control to textile and apparel products, made from natural fibers including cotton, wool, and silk and from also synthetic fibers such as polyester and nylon. The multi functional properties are achieved by changing fabric at molecular level by nanotechnology process.

The nanotechnology finish creates carefree fabrics that's minimizes stains, superior liquid repellency and provide additional wrinkle resistance. These enhanced fabrics allow water and oil spills to easily bead a rollup the fabric without penetrating the fabric because the fabric remains breathable and maintains its performance through the life of the garment.
Researchers have emulated this process in nanotech fabrics which is embedded with billions tiny little structures or Nano-whiskers each of which us just10 nanometers long. The Nanowhiskers covers fabric, making it so dense those liquids can hardly penetrates. The whiskers actually hydrocarbons added to the fabric's fiber by dipping it in an aqueous solution containing trillions of the nanotech fibers. The treatment can be carried out in existing equipments and are water based so that mass production is easy and no outlay on new several companies offering this technology.
ENVIRONMENT:
Nanotechnology has the potential to substantially benefit the environment through pollution prevention, treatment and remediation. This would include improved detection and sensing, removal of the finest contaminants from air, water and soil, and creation of the new industrial processes that waste products and are green' (environment-friendly).
Nanotechnology has the potential to have a positive effect on the environment For instance; airborne nano-robots could be programmed to rebuild the thinning ozone layer. Contaminants could be automatically removed from water sources, and oil spills could be cleaned up instantly. Manufacturing materials using the bottom-up method of nanotechnology also creates less pollution than conventional manufacturing processes.
Clean energy - Our dependence on non-renewable resources would diminish with nanotechnology. Many resources could in fact be constructed by nano machines. Cutting down trees, mining coal or drilling for oil may no longer be necessary. Resources could simply be constructed by nano-machines.
Global industrialization requires the rapid development of clean energy in order to preserve the clean air we all breathe. And global energy catalyst markets are huge. For instance, consider Nano stellar, a US-based company that is currently tapping nanotechnology to develop highly efficient Platinum nano-composites catalyst solution to increase the efficiency of automobile catalytic converters and dramatically reduce their cost this, according to them, is the first in a series of Nanocomposites catalyst products to address the energy catalyst, hydrogen fuel cell, and solar power and battery markets.
LEGAL IMPLICATIONS:
The flip side- Nanotechnology could also lead to serious environmental problems. It is largely unknown how nanostructure materials and other related nanotechnology would interact with other entities already present in the environment may also increase, and perhaps a whole new class of toxins or other environmental problems may be created.
Nanotechnology will be applicable to almost aft processes, even biological. The legal systems wi1l not be able to respond in the manner it did in the past. Although nanotechnology will change the way we live, it does not necessarily mean that changes in law are also that revolutionary. Nanotechnology law is unlike other laws pertaining to biotechnology, IT or any type of revolutionary technology. It is not possible to simply take into account all existing laws and determine the exact occurrence of charges or additions to the current scenario. Initially, this will be possible, but in the long run nanotechnology will replace all manufacturing processes fir present goods, not only producing them at a higher rates but producing goods and technology that all be able to respond to an almost infinite amount of proprieties or tasks that are logically possible.
Before analyzing replacing nanotechnology for the legal angle, it is important to understand the replacing aspect in isolation for evaluating the nanotechnology part. It is equally important to distance the distraction of the implication of this emerging technology, which still remains a mystery to the common man, so that unwarranted oppositions can be eliminated.
CONCLUSION:
Nanotechnology is a high-tech wave that is designing to sweep the world. The probability of the type of commercial applications. Covered in this article occurring within the next few years is quite high. Future developments of nanotechnologies in textiles will have a two-fold focus:
- Upgrading existing functions and performances of textile materials
- Advancement of technology. The new functions with textiles to be developed include
The latter is more urgent form the standpoint of homeland security and advancement of technology. The new functions with textiles to be developed include
1. Wearable solar cell and energy storage;
2. Sensors and information acquisition and transfer,
3. Multiple and sophisticated protection and detection;
4. Health-care and wound healing functions
5. Self-cleaning and repairing functions.
Thus Nanotechnology holds an enormously promising future for textiles. The development if ultra fine fibers, functional finishes and smart textiles based on nanotechnology has endless possibilities and at present the application of nanotechnology in textile has merely reached the starting line. In future, one can expect to see many more developments in textile based on nanotechnology.